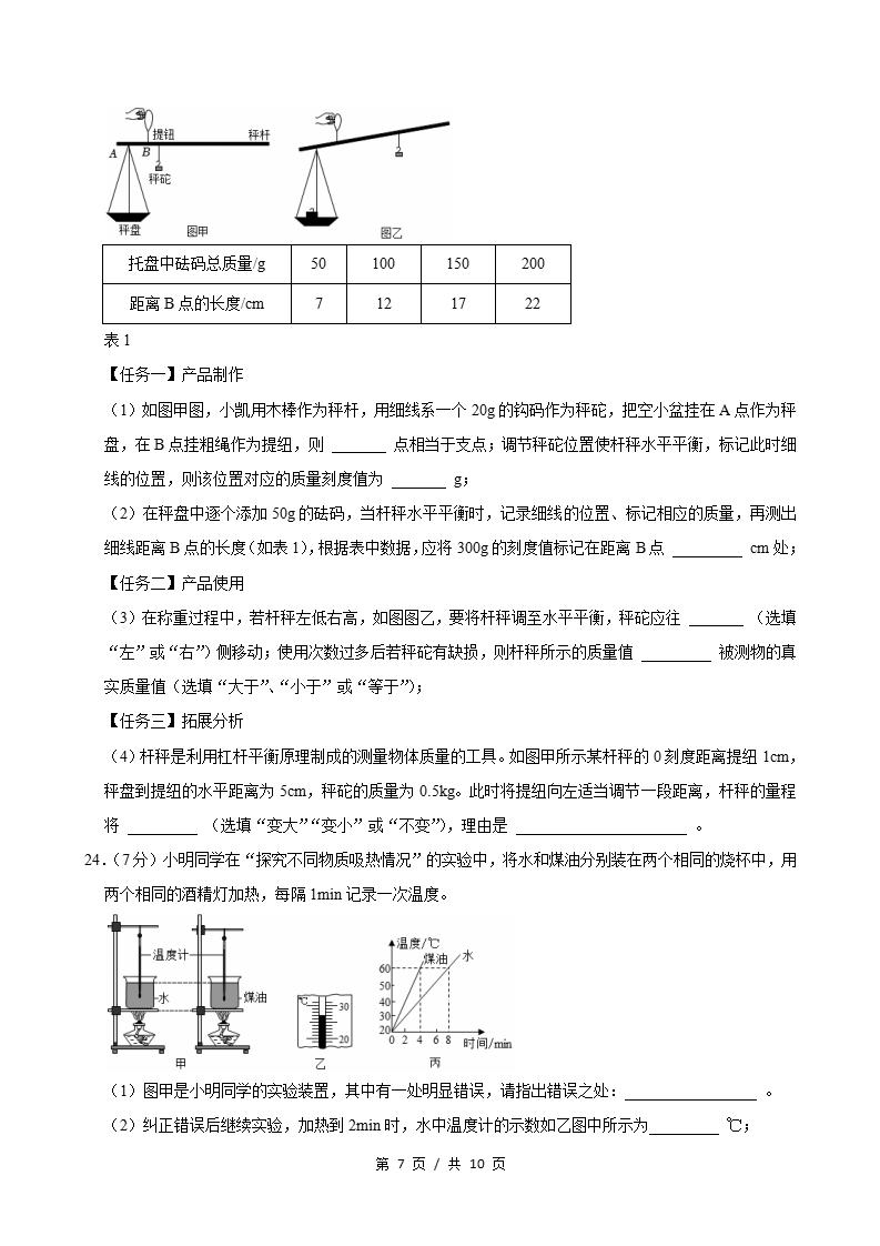
初中物理-新九年级上学期末考试卷苏科版答案解析吴老师这家伙很懒,什么都没有写...关注20420 加入会员免费/折扣下载 物理初三上学期末考试卷苏科版答案解析,模拟练习检测初一二三 【含原卷+解析】 【百度/夸克双网盘发货,链接永久有效】 预览结束,请下载无水印完整版打印 加入会员免费/折扣下载 初中物理-新九年级上学期末考试卷苏科版答案解析此内容为付费资源,请付费后查看35积分初中超级会员免费登录下载付费资源已下载 16© 版权声明言心吖资料库是一个提供信息分享和获取的平台,不确保部分用户上传资料的来源及知识产权归属。如您发现相关资料侵犯您的合法权益,请联系我们,经核实后将立即进行下架。THE END同步试卷专项 喜欢就支持一下吧点赞20 分享QQ空间微博QQ好友海报分享复制链接收藏