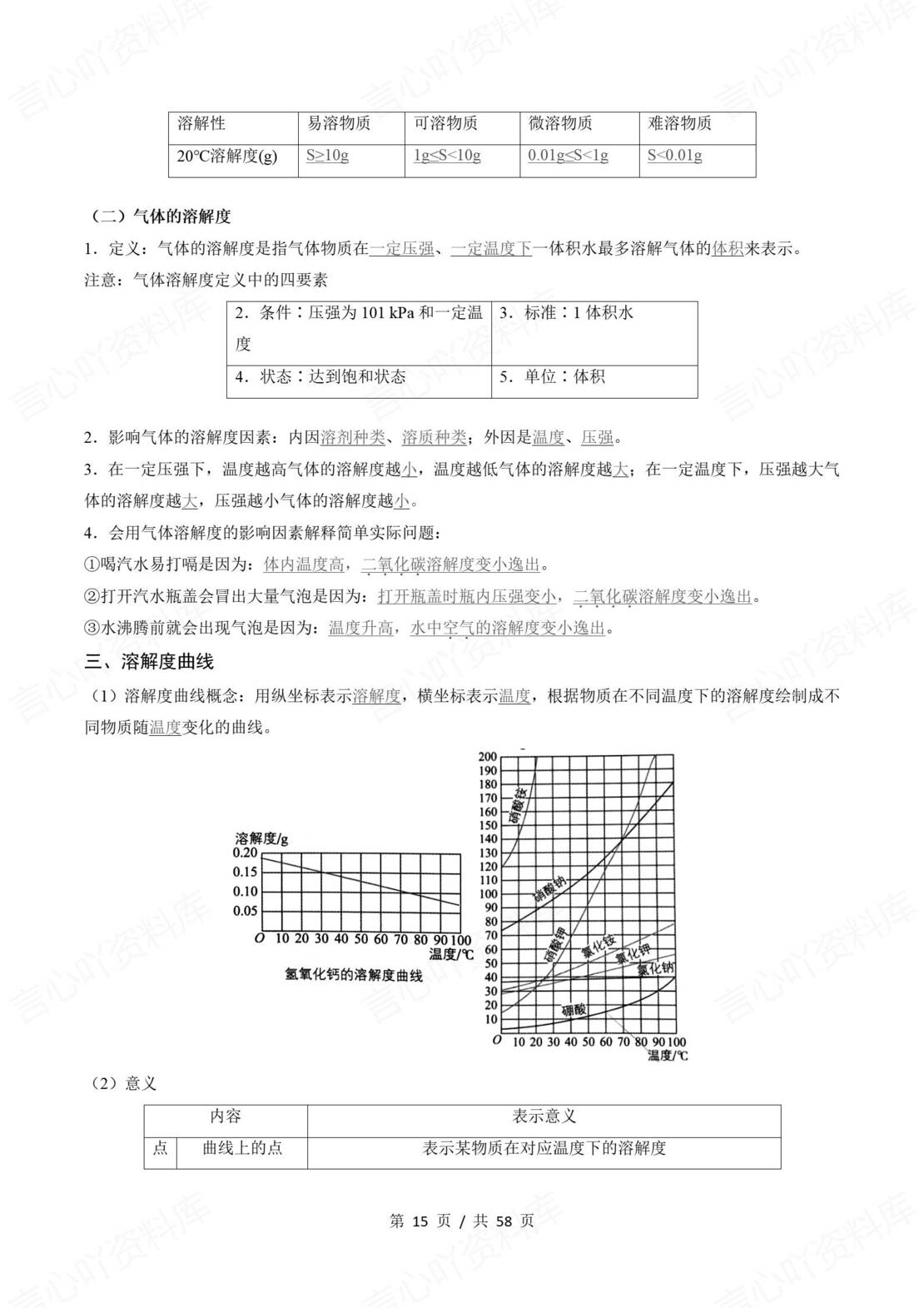
初中化学 | 新教材鲁教版九年级下同步清单(原卷解析版)刘老师这家伙很懒,什么都没有写...关注19814 加入会员免费/折扣下载 LJHX9B-2024,新版教材知识总结,初三课本归纳梳理,中考复习 预览结束,请下载无水印完整版打印 加入会员免费/折扣下载 初中化学 | 新教材鲁教版九年级下同步清单(原卷解析版)此内容为付费资源,请付费后查看50积分初中超级会员免费登录下载付费资源已下载 9© 版权声明言心吖资料库是一个提供信息分享和获取的平台,不确保部分用户上传资料的来源及知识产权归属。如您发现相关资料侵犯您的合法权益,请联系我们,经核实后将立即进行下架。THE ENDC知识点总结初中化学 喜欢就支持一下吧点赞14 分享QQ空间微博QQ好友海报分享复制链接收藏